國标三偏心法蘭連接蝶閥_蝶閥_陝西航天泵閥科技****

全國咨詢熱線:400-****-***      0312-*******(轉(zhuǎn)739)

國(guo)标三偏心法蘭連(lián)接蝶閥

國标三偏(pian)心法蘭蝶閥采用(yong)三偏心結構,具有(yǒu)雙向🐅密🎯封功能。閥(fa)座與密封面均采(cǎi)用不同材質制作(zuo),具有良好的🐕耐腐(fu)♊蝕性,使用壽命長(zhang),廣泛用于治金 、電(diàn)🤞力、石油化工、以及(ji)給排水和市政建(jian)設等工業管道上(shàng),作調節流量和載(zai)斷流體使用。
訂購(gòu)熱線:400-****-***
立(lì)即咨詢
應用規範(fàn)

1.設計符合GB/T12238-1989
2.檢驗與(yǔ)試驗按GB/T13927
3.法蘭連接(jie)尺寸符合GB/T12221-1989

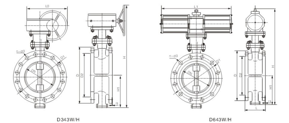
産品結(jié)構圖

國标三偏心(xin)法蘭連接蝶閥結(jie)構圖

聯(lian)系航天泵閥
总(zong) 公 司急 速 版WAP 站H5 版(ban)无线端AI 智能3G 站4G 站(zhan)5G 站6G 站
·